Bascule D avec enable

module dff_en ( input logic clk, // l'horloge
input logic en, // l'enable
input logic D, // L'entrée donnée
output logic Q ); // La sortie
always@(posedge clk)
if (en)
Q <= D;
// Sinon Q garde sa valeur précédente
endmodule
input logic en, // l'enable
input logic D, // L'entrée donnée
output logic Q ); // La sortie
always@(posedge clk)
if (en)
Q <= D;
// Sinon Q garde sa valeur précédente
endmodule
Compteurs
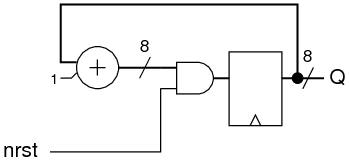
Compteur modulo 256

module cpt_mod ( input logic clk, // l'horloge
output logic [7:0] Q ); // La sortie
always@(posedge clk)
Q <= Q + 1;
endmodule
output logic [7:0] Q ); // La sortie
always@(posedge clk)
Q <= Q + 1;
endmodule
Compteur modulo 256 avec remise à zéro
Remise à zéro asynchrone

module cpt_srt ( input logic clk, // l'horloge
input logic nrst, // remise à zéro
output logic [7:0] Q ); // La sortie
always@(posedge clk or negedge nrst)
if (!nrst)
Q <= '0;
else
Q <= Q + 1;
endmodule
input logic nrst, // remise à zéro
output logic [7:0] Q ); // La sortie
always@(posedge clk or negedge nrst)
if (!nrst)
Q <= '0;
else
Q <= Q + 1;
endmodule
Remise à zéro synchrone

module cpt_srt ( input logic clk, // l'horloge
input logic nrst, // remise à zéro
output logic [7:0] Q ); // La sortie
always@(posedge clk)
if (!nrst)
Q <= '0;
else
Q <= Q + 1;
endmodule
input logic nrst, // remise à zéro
output logic [7:0] Q ); // La sortie
always@(posedge clk)
if (!nrst)
Q <= '0;
else
Q <= Q + 1;
endmodule
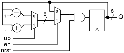
Compteur/Décompteur avec entrée d'activation et remise à zéro synchrone

module cpt_srt ( input logic clk, // l'horloge
input logic nrst, // remise à zéro
input logic en, // actif ou stopé
input logic up,
output logic [7:0] Q ); // La sortie
always@(posedge clk)
if (!nrst)
Q <= '0;
else
if (en)
begin
if (up)
Q <= Q + 1;
else
Q <= Q - 1;
end
// sinon on ne change pas d'état
endmodule
input logic nrst, // remise à zéro
input logic en, // actif ou stopé
input logic up,
output logic [7:0] Q ); // La sortie
always@(posedge clk)
if (!nrst)
Q <= '0;
else
if (en)
begin
if (up)
Q <= Q + 1;
else
Q <= Q - 1;
end
// sinon on ne change pas d'état
endmodule
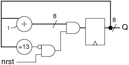
Compteur jusqu'à 13 avec remise à zéro synchrone
... puis on re-part à zéro

module cpt_13_zero ( input logic clk, // l'horloge
input logic nrst, // remise à zéro
output logic [7:0] Q ); // La sortie
always@(posedge clk)
if (!nrst)
Q <= '0;
else
if(Q!=13)
Q <= Q + 1;
else
Q <= 0;
endmodule
input logic nrst, // remise à zéro
output logic [7:0] Q ); // La sortie
always@(posedge clk)
if (!nrst)
Q <= '0;
else
if(Q!=13)
Q <= Q + 1;
else
Q <= 0;
endmodule
... et on s'arrête

module cpt_13 ( input logic clk, // l'horloge
input logic nrst, // remise à zéro
output logic [7:0] Q ); // La sortie
always@(posedge clk)
if (!nrst)
Q <= '0;
else
if(Q!=13)
Q <= Q + 1;
endmodule
input logic nrst, // remise à zéro
output logic [7:0] Q ); // La sortie
always@(posedge clk)
if (!nrst)
Q <= '0;
else
if(Q!=13)
Q <= Q + 1;
endmodule
Détecteur de fronts montants

module front( input logic clk,
input logic key,
output logic top
);
// on sauvegarde l'état de key dans un registre
// à décallage de deux bits car on a besoin de
// comparer l'état actuel à l'état précédent
logic [1:0]key_s;
always @(posedge clk)
begin
key_s[0] <= key;
key_s[1] <= key[0];
end
// On a un front montant si l'état actuel (0) est à 1
// et que l'état précédent (1) est encore à 0
always@(*)
top <= key_s[0] & !key_s[1];
endmodule
input logic key,
output logic top
);
// on sauvegarde l'état de key dans un registre
// à décallage de deux bits car on a besoin de
// comparer l'état actuel à l'état précédent
logic [1:0]key_s;
always @(posedge clk)
begin
key_s[0] <= key;
key_s[1] <= key[0];
end
// On a un front montant si l'état actuel (0) est à 1
// et que l'état précédent (1) est encore à 0
always@(*)
top <= key_s[0] & !key_s[1];
endmodule
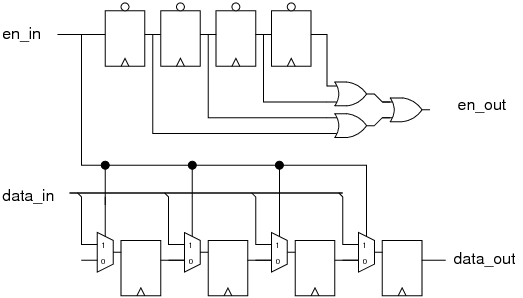
Parallélisation

module parallel ( input logic clk,
input logic nrst,
input logic data_in,
input logic en_in,
output logic [3:0]data_out,
output logic en_out );
// un registre à décalage
always@(posedge clk)
if(en_in)
data_out <= {data_out[2:0],data_in};
// On compte les bits reçus
logic [1:0] cpt;
always@(posedge clk or negedge nrst)
if (!nrst)
begin
cpt <= '0;
en_out <= 0;
end
else if (en_in)
begin
en_out <= (cpt == 2'b11);
cpt <= cpt + 1;
end
endmodule
input logic nrst,
input logic data_in,
input logic en_in,
output logic [3:0]data_out,
output logic en_out );
// un registre à décalage
always@(posedge clk)
if(en_in)
data_out <= {data_out[2:0],data_in};
// On compte les bits reçus
logic [1:0] cpt;
always@(posedge clk or negedge nrst)
if (!nrst)
begin
cpt <= '0;
en_out <= 0;
end
else if (en_in)
begin
en_out <= (cpt == 2'b11);
cpt <= cpt + 1;
end
endmodule
Sérialisation

module serial (input logic clk,
input logic nrst,
input logic en_in,
input logic [3:0] data_in,
output logic en_out,
output logic data_out );
// Ne fonctionne que si la période enter deux en_in est
// supérieure à 4
logic [3:0] data;
always@(posedge clk)
if(en_in)
data <= data_in;
else
data <= {data[2:0],1'b0};
// on commence par le bit de poids fort
always@(*)
data_out <= data[3];
logic [3:0] shift;
always@( posedge clk or negedge nrst)
if (!nrst)
shift <= '0;
else
shift <= {shift{2:0],en_in};
always@(*)
en_out <= shift[3] | shift[2] | shift[1] | shift[0];
endmodule
input logic nrst,
input logic en_in,
input logic [3:0] data_in,
output logic en_out,
output logic data_out );
// Ne fonctionne que si la période enter deux en_in est
// supérieure à 4
logic [3:0] data;
always@(posedge clk)
if(en_in)
data <= data_in;
else
data <= {data[2:0],1'b0};
// on commence par le bit de poids fort
always@(*)
data_out <= data[3];
logic [3:0] shift;
always@( posedge clk or negedge nrst)
if (!nrst)
shift <= '0;
else
shift <= {shift{2:0],en_in};
always@(*)
en_out <= shift[3] | shift[2] | shift[1] | shift[0];
endmodule
PWM: Pulse Width Modulation

module pwm ( input logic clk,
input logic[7:0] consigne,
output logic pwm );
logic [7:0] cpt;
// Un compteur modulo 256
always @(posedge clk)
begin
cpt <= cpt + 1;
end
// la sortie vaut 1 si la valeur du compteur est
// supérieure à la consigne
always@(*)
pwm <= (cpt > consigne);
endmodule
input logic[7:0] consigne,
output logic pwm );
logic [7:0] cpt;
// Un compteur modulo 256
always @(posedge clk)
begin
cpt <= cpt + 1;
end
// la sortie vaut 1 si la valeur du compteur est
// supérieure à la consigne
always@(*)
pwm <= (cpt > consigne);
endmodule